おかげさまで開設25周年DEALERDECHANGEMENT.FR 創業祭

DEALERDECHANGEMENT.FR

詳しくはこちら
マイストア マイストア 変更
  • 即日配送
  • 広告
  • 取置可能
  • 店頭受取

HOT ! 【専用】やま様 作品10点 丸山製作所 マクまく噴頭セット 466891 : AZTEC ヤフーショップ

※DEALERDECHANGEMENT.FR 限定モデル
YouTuberの皆様に商品の使い心地などをご紹介いただいております!
紹介動画はこちら

ネット販売
価格(税込)

16995

  • コメリカード番号登録、コメリカードでお支払いで
    コメリポイント : 6ポイント獲得

コメリポイントについて

購入個数を減らす
購入個数を増やす

お店で受け取る お店で受け取る
(送料無料)

受け取り店舗:

お店を選ぶ

近くの店舗を確認する

納期目安:

13時までに注文→17時までにご用意

17時までに注文→翌朝までにご用意

受け取り方法・送料について

カートに入れる

配送する 配送する

納期目安:

2025.09.16 0:0頃のお届け予定です。

決済方法が、クレジット、代金引換の場合に限ります。その他の決済方法の場合はこちらをご確認ください。

※土・日・祝日の注文の場合や在庫状況によって、商品のお届けにお時間をいただく場合がございます。

即日出荷条件について

受け取り方法・送料について

カートに入れる

欲しいものリストに追加

欲しいものリストに追加されました

【専用】やま様 作品10点 丸山製作所 マクまく噴頭セット 466891 : AZTEC ヤフーショップの詳細情報

丸山製作所 マクまく噴頭セット 466891 : AZTEC ヤフーショップ。商品を探す|山田照明株式会社。ヤマゼン サーキュレーター扇風機 DCモーター搭載 (省エネタイプ。ご覧頂きありがとうございます。オーロラプルームアゲート ペンダントトップ。言葉にできない想いが、光のしずくとなって魂へ降りそそぐ、天空からの贈りもの。残り1個 作家万華鏡ペンダント ケビン&デボラヒーリー スパイラル。ヒマラヤ水晶の奥に秘められた祈りと、澄みきったブルーの光が、内なる対話を優しく導く。ジェニファーカーティス ペンダント トップ。ヒマラヤ水晶の光は、揺らがぬ意志と祈りを宿し、あなたの中心へと澄んだ風を吹き込む。作家万華鏡ペンダント ケビン&デボラヒーリー シルバー925 バンブー。オレンジジルコニアの瞳が真実を見つめ、ルチルとヒマラヤ水晶が静かにエネルギーを整える。究極品質 幻のエスピリット鉱山産 神秘のエンジェルファントムセイクリッドセブン。紫と青の光が幻想的に広がり、月や星のモチーフが夜空の神秘を映し出す。ゴローズ、上金特大フェザー、木村拓哉。月映えの実り・*☽:゜・⋆。。71190 DKJ40-13 クランクケース,シリンダ,スタータ部品。※お取り置き〜7/8頃──── ⊹ ₊‧ ꒰ა☆໒꒱ ‧₊ ⊹ ────10点小計 ¥31800-¥900(おまとめ割)合計 ¥30900──── ⊹ ₊‧ ꒰ა☆ ໒꒱ ‧₊ ⊹ ────☆「ラルム・セレステ」¥3200テーマ星が静かに瞬く夜、双子座の新月の祈りを閉じ込めた、ヒマラヤ水晶の雫。天使のまなざしが宿るオイルがゆらぎ、心に優しく触れる。ラリマー/勾玉/卸価格/チョーカー/ペンダント/出雲型勾玉。⭐︎ 様 オーダーページ。ヒマラヤ水晶とゴールドの繊細な輝き。双子座新月オイルの中にもジルコニア・ヒマラヤ水晶入り☆「ラルム・ブルエ」¥3200テーマ双子座新月の夜に舞い降りた、天使の涙の雫。天然石☆高品質!ラリマーしずく型ペンダントトップ☆リーフバチカン&模様が美しい。ターコイズネックレス。心の静寂にそっと溶け込み、魂の声がやがて澄んだ響きへと変わっていく。ヒマラヤ水晶 オルゴナイトペンデュラム ☆「セラフィム・ルミエール」¥2700テーマ高次の領域から届いた、透き通るような蒼紫のダイヤ型ハート。14.50ブラウンルチルキャッツアイダイヤ0.07入りk18ペンダントトップ。赤色 蓮の花モチーフ ペンダント。見えざる導きとともに、魂は静かに目を覚ます。※従来よりも一回り小さいサイズオルゴナイト猫ブローチ☆「ミューン・シエル」¥2700テーマシアーブルーに輝く猫の姿は、月の彼方から舞い降りた小さな使者。★スパイダーターコイズ 大粒ペンダント①(SA+)。アコヤ真珠 ベビーパールネックレス。心の奥に眠る直感を、そっと呼び覚ますブローチ。使用天然石:ヒマラヤ水晶 ルチルクォーツ ジルコニア太陽ルチルドーム☆「アストラルグローブ」¥2700テーマ宇宙の地球儀に浮かぶ太陽ルチルクォーツが、ヘマタイトの核から金色の針を放つ。淡水コインパールネックレスデザインコインパールネックレスNO25-986。お値引き!盛夏対応【ズニ族 インデアンジュエリー】天然石動物モチーフ ネックレス。両面で異なる宇宙の物語が、魂にインスピレーションと守護の力を授ける。☆「アムール・エトワール」¥3000☆「セクレ・デトワール」¥3700☆「コズミックアンク」¥3200☆「リュヌ・プレール」¥3700☆「トリケトラ」¥3700ご確認の程、よろしくお願い致します。カンテラオパールマクラメネックレス・*☽:゜・⋆。ハンドメイド品につきお取り扱いにご注意下さい。インディアンジュエリー Silver 925 熊爪 ターコイズ 系 b
  • 丸山製作所 マクまく噴頭セット 466891 : AZTEC ヤフーショップ
  • 商品を探す|山田照明株式会社
  • ヤマゼン サーキュレーター扇風機 DCモーター搭載 (省エネタイプ
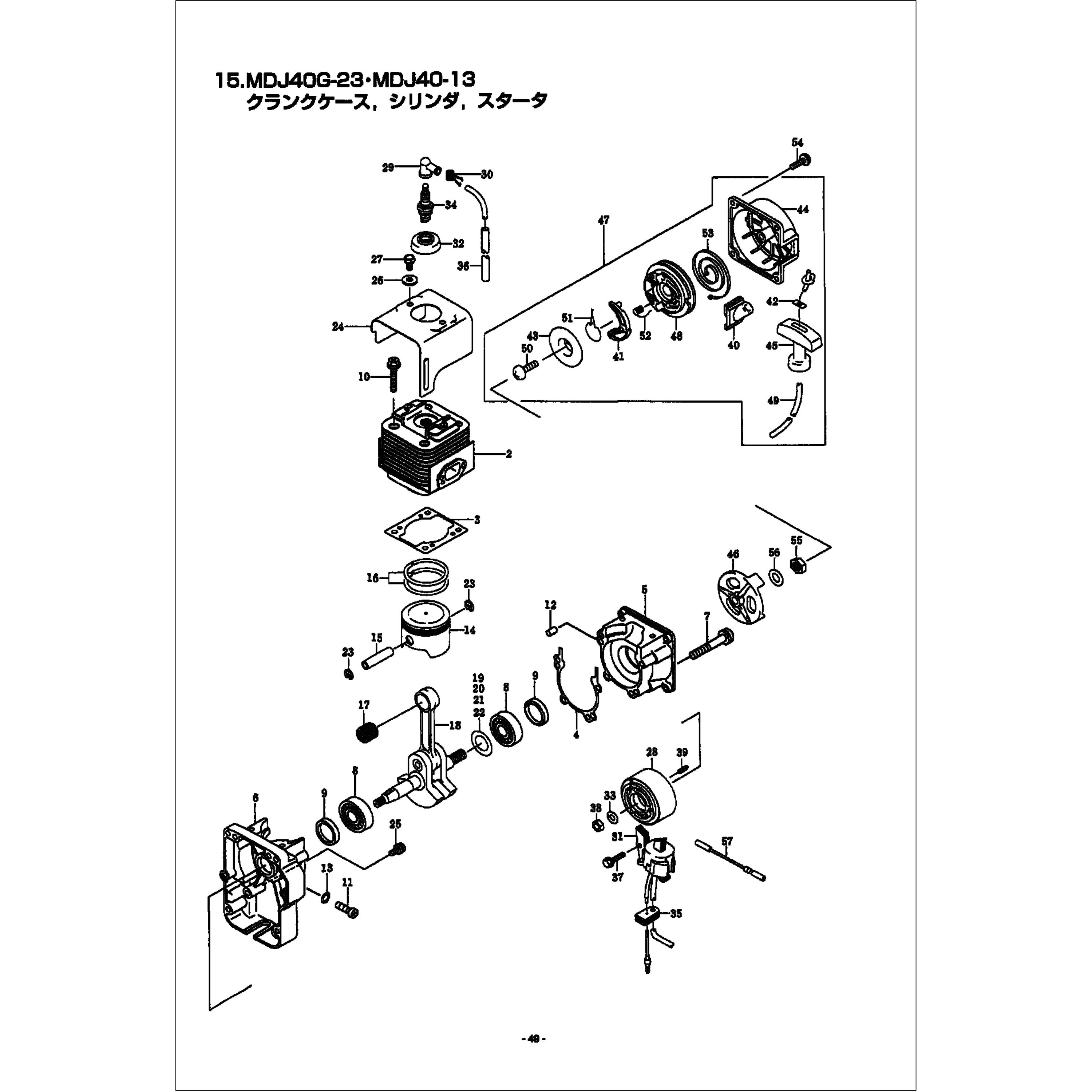
  • 71190 DKJ40-13 クランクケース,シリンダ,スタータ部品

同じカテゴリの 商品を探す

ベストセラーランキングです

このカテゴリをもっと見る

この商品を見た人はこんな商品も見ています

近くの売り場の商品

このカテゴリをもっと見る

カスタマーレビュー

オススメ度  4.6点

現在、4966件のレビューが投稿されています。